আমাদের সাথে যোগাযোগ করুন
-
ADD: ওয়েই ফোর রোড, ওয়েইজুয়াং ইন্ডাস্ট্রিয়াল পার্ক, চাংগুয়ান
জেলা, জিনজিয়াং সিটি, চীন এর হেনান প্রদেশ
মোবাইল: {{0}
টেলিফোন: {{0}
ম্যাক্স: {{0}
ই-মেইল:sales@zybc.com

কিউপি সিকিউপি সিরিজগুলি নিউম্যাটিক ডিস্ক ব্রেক AK
অ্যাপ্লিকেশন ● কিউপি 、 সিকিউপি সিরিজ বায়ুসংক্রান্ত ডিস্ক ব্রেকগুলি নিম্ন বা মাঝারি টর্ক ড্রাইভিং পদ্ধতির গতি হ্রাস, থামানো / ব্রেকিংয়ের জন্য ব্যাপকভাবে ব্যবহৃত হয়। ব্রেকগুলি উইন্ডিং মেশিনগুলিতে টেনশন ব্রেক হিসাবে প্রয়োগ করা যেতে পারে যেমন: কাগজ-ওয়েব টেনশন নিয়ন্ত্রণ, নিউজ পেপার প্রকাশের টান নিয়ন্ত্রণ, ...
বিবরণ
আবেদন
● কিউপি 、 সিকিউপি সিরিজ বায়ুসংক্রান্ত ডিস্ক ব্রেকগুলি নিম্ন বা মাঝারি টর্ক ড্রাইভিং প্রক্রিয়াটির গতি হ্রাস, থামানো / ব্রেকিংয়ের জন্য ব্যাপকভাবে ব্যবহৃত হয়। ব্রেকগুলি উইন্ডিং মেশিনগুলিতে টেনশন ব্রেক হিসাবে প্রয়োগ করা যেতে পারে, যেমন: কাগজ-ওয়েব টেনশন নিয়ন্ত্রণ, নিউজ পেপার প্রকাশের টান নিয়ন্ত্রণ, ইস্পাত আনওয়াইন্ড নিয়ন্ত্রণ, তারের এবং তারের রিল আনওয়াইন্ড টেনশন ইত্যাদি etc.
প্রধান বৈশিষ্ট্য
● কিউপিও হ'ল সাধারনত ডিজাইন বন্ধ - বসন্তের ব্রেকিং; নিউমতি দ্বারা আক্রান্ত; সিকিউপিডি হ'ল ওপেন ডিজাইন বায়ুসংক্রান্ত ব্রেকিং, বসন্তের সাথে সম্পর্কিত, ব্র্যাকো ফোর্স প্রয়োজনীয় বায়ুচাপের সাথে সামঞ্জস্য করতে পারে,
● কমপ্যাক্ট কাঠামো এবং ছোট আকার, হালকা। এটি নিয়ন্ত্রণ এবং পরিচালনা করা সহজ।
Lin রেখাগুলি ইসল্লেশন শৈলী এবং অ-অ্যাসবেস্টস সন্নিবেশ করানো হয়। দড়ি ফেলা অসম্পূর্ণ।
● Isallation; জিজি # 39; tbe ব্রেক হয় অনুভূমিকভাবে মাউন্ট করা হয় বা ভোরোয়ালি মাউন্ট করা হয়। এটি যখন অনুভূমিক শিফটে ব্যবহৃত হয়, ব্রেকটি ডিস্কের চারপাশে যে কোনও দেবদূতের মধ্যে অবস্থিত হতে পারে তবে ডিলিভাবে এগুলি স্বাভাবিকভাবে মাউন্ট করা উচিত (3or 9o জিজি # 39; ডলক অবস্থানে); whileit উল্লম্ব শটে চালিত হয়, কোনও কোণ প্রয়োজন হয় না। প্রতি ডিস্ক এনে ব্রেকে বা দু'একটি মুরগিতে ভাসতে পারে।
যখন দুটি বা ততোধিক ব্রেক চালিত হয়, তখন symmotrially ইনস্টলেশনটি রকোমাইমেন্ডেড হয়।
● এটি সমস্ত শক্তি উত্স বিচ্ছিন্নতা, জিএইচ নোডন নয়, বায়ু সংক্ষেপণ কেন্দ্রের সাথে ডাব্লুএলডি কানেক্টড, এবং ব্রেকিং সময়টি জিএনএস লাইনে স্পিড কন্ট্রোল ভালভের সাথে স্টপলেস অ্যাডজাস্টমেন্ট হতে পারে।
চলমান অবস্থা
● পরিবেষ্টনের তাপমাত্রা: -25 ℃ - 40 ℃
● অপারেশন এয়ার চাপ (সর্বাধিক): 7 বার
● বাতাসের প্রয়োজনীয়তা: শুকনো এবং ফিটারড কমপ্রেসড এয়ার, বাদে জারা গ্যাস।
● উত্পাদনের আগে স্পেকালাল প্রয়োজনীয়তাগুলি নিয়ে আলোচনা করা যেতে পারে।
অর্ডার মার্ক

অর্ডার উদাহরণ
● QP12.7-আওয়ামী লীগ
CQP12.7-আল-ই 1
QPL15-এ
CQPL15-এ-ই 1
QPD40-বিআর E2M
CQPD40-বি এল-E1M
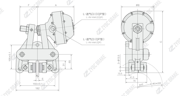
আউটলাইন এবং ইনস্টলমেন্ট সময়


গরম ট্যাগ: কিউপি সিকিপিপি সিরিজ বায়ুসংক্রান্ত ডিস্ক ব্রেক, চীন, নির্মাতারা, সরবরাহকারী, কারখানা, কাস্টমাইজড
তুমি এটাও পছন্দ করতে পারো












